St Jerome’s Church, Presbytery & Former Social Club, Greenloons Drive, Formby, L37

Available £75,000 Per Annum

  • Substantial Church with detached Presbytery and Former Parish centre/Social Club
  • Total accommodation approx. 11,531 sq ft (GIA) on prominent site in Formby
  • Strong demand drivers for SEN education, care and institutional uses
  • Excellent transport links via road, rail and airports; close to town centre amenities

A substantial Church property complex with adjoining Presbytery and former Parish Centre / Social Club. The property extends to approximately 11,531 sq ft (GIA) in total and is available to let at a quoting rent of £75,000 per annum exclusive.

The landlord's preference is for a single occupier, possibly in the SEN education, care, leisure or institutional sectors, but consideration may also be given to letting the Church separately and the Presbytery and Parish Centre/Social Club together.

Please note any letting will be subject to appropriate Catholicity clauses.

The property comprises three principal elements:

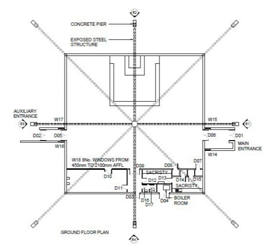
St Jerome's Church
St Jerome's Church is a striking central-plan building extending to approximately 5,231 sq ft. Its large open worship hall, vaulted ceiling and clerestory glazing provide a bright and adaptable volume, complemented by ancillary rooms and broad foyers. It offers excellent potential for conversion to SEN or training use, leisure, or other community purposes.

Please note, there is an area to the side of the church where ashes are buried. The vendors would look to reserve the right to access these ashes.

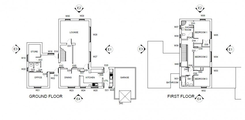
The Presbytery
The Presbytery, adjoining the church, is a two-storey former residence of about 1,330 sq ft. The ground floor includes an entrance hall, kitchen, lounge, and dining or office rooms, with bedrooms and bathrooms at first floor level. With an integrated garage and adjoining parking, the building is suitable for adaptation as offices, administration space or a day centre, subject to planning.

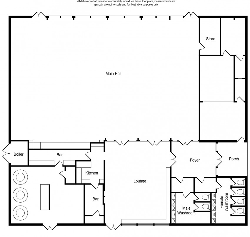
The Former Parish Centre/Social Club
The Former Parish Centre/Social Club provides a further 4,970 sq ft of single-storey accommodation. Its large main hall, parquet flooring, stage area and natural light make it ideal for assembly, teaching or recreation. Smaller ancillary rooms, together with lounge areas, storage and support facilities, add flexibility for educational, training or community-based uses. Forecourt and grassed external areas adjoin the building, subject to boundary confirmation.

Parking & External Areas: The site benefits from extensive shared car parking, also serving visitors to the adjacent St Jerome's Catholic Primary School. Spaces can be designated for the Church, Presbytery and Parish Centre as required, the remainder being available on a first come, first served basis with tenants also responsible for maintaining car parking, landscaping and grounds.

Similar Property